Toggle navigation
首頁
HOME
公司簡介
COMPANY
最新消息
NEWS
產品介紹
PRODUCTS
聯絡我們
Contacts
Go
NC1602D
Home
產品介紹
字符型顯示模組
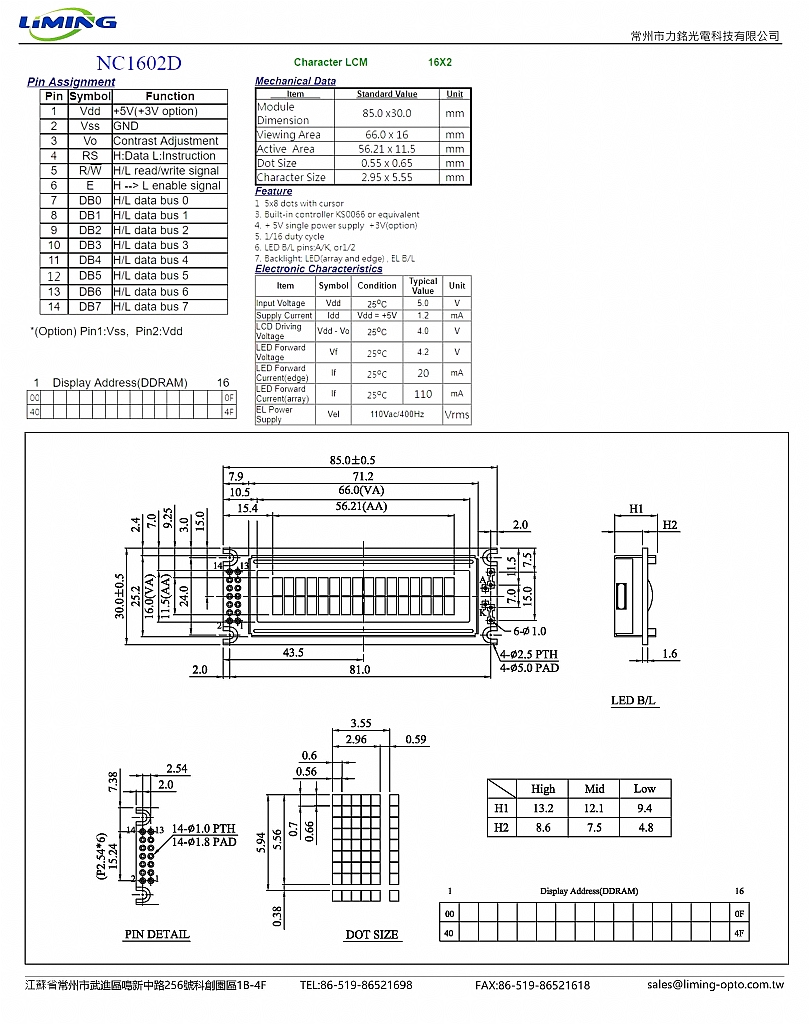
NC1602D
NC1602D
檔案下載
檔名
下載
NC1602D module
Download
NC1602D test program
Download
規格
Production
Resolution
Module
Series
Module
Dimension
(mm)
View Area
(mm)
Character
Size
Dot Pitch
(mm)
Duty
Controller
Backlight
LCD
NONE
LED
RGB
TN
BTN
STN
GRAY
STN
Y/G
STN
BLUE
FSTN
B&W
16*2
NC1602D
85.0*30.0
66.0*16.0
2.95*5.55
0.48*0.48
1/16
ST7066
▲
▲
▲
▲
▲
▲
▲
▲
產品敘述